-
(غريغ بلايدز)1أفضل خدمة وأفضل سعر 2آمل أن نتمكن من القيام بمزيد من الأعمال معا في المستقبل. 3بما أن خدمتك جيدة جداً، سأبث كلمة جيدة عن (شيشيان فارورد) بين جماعة (نانتشانغ سي جي 6) -
(أرشاد سليم)1.لن أتصل بأي شركة مباشرة، ستكون مصدر عملي في الصين. 2أنتم رائعون، لدينا تعاون ناجح جداً هذه هي نتائج جهودنا المشتركة
Openresty Server The Ultimate Solution for 403 Forbidden Error
اتصل بي للحصول على عينات مجانية وكوبونات
واتس اب:0086 18588475571
(وي تشات): 0086 18588475571
سكايب: sales10@aixton.com
إذا كان لديك أي مخاوف، نحن نقدم المساعدة على الانترنت على مدار 24 ساعة.
x| Product Name | 403 Forbidden | Status Code | 403 |
|---|---|---|---|
| Description | The server understood the request, but is refusing to fulfill it. | Server | openresty |
| إبراز | Openresty server 403 forbidden fix,Electro optical pod server solution,Openresty error resolution tool,Electro optical pod server solution,Openresty error resolution tool |
||
Product Description:
The Electro Optical Pod, also known as the 403 Forbidden, is an advanced system designed for various applications in the field of reconnaissance and target identification. This cutting-edge product incorporates state-of-the-art technology to provide users with unparalleled capabilities in optical and infrared imaging.
As an essential component of modern military and surveillance operations, the Electro Optical Pod offers a versatile and reliable solution for capturing high-quality images and videos in a wide range of environmental conditions. Whether used for intelligence gathering, surveillance missions, or target acquisition, this system delivers exceptional performance and accuracy.
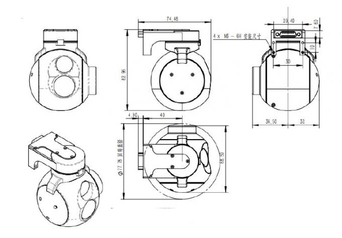
The Electro Optical Pod is equipped with a sophisticated Optical System Pod that enables precise imaging and target tracking capabilities. This advanced system allows users to capture detailed visuals of distant objects with remarkable clarity and resolution. The Infrared Reconnaissance System Pod further enhances the pod's functionality by providing thermal imaging capabilities for night vision and target detection.
Designed as a Guided Pod, the Electro Optical Pod offers seamless integration with various platforms, including aircraft, drones, and ground vehicles. Its aerodynamic design ensures optimal performance during high-speed operations, making it a reliable choice for mission-critical tasks. The Electro-Pod Telescope provides users with enhanced magnification capabilities, allowing for long-range observation and target identification.
The Electro Optical Pod is a versatile solution that can be customized to meet specific operational requirements. Whether used as a standalone system or integrated with other sensors and communication devices, this pod of Electro-Optical Systems offers unmatched flexibility and adaptability in the field. Its modular design allows for easy upgrades and maintenance, ensuring long-term reliability and performance.
The Electro Optical Pod features an Electro-Optical Reconnaissance Module that combines multiple sensors to provide comprehensive imaging capabilities. This Multi-Sensor Imaging Pod allows users to gather valuable intelligence and surveillance data in real-time, enhancing situational awareness and decision-making capabilities. The Electro-Visual Observation Device offers enhanced visual observation capabilities, enabling users to monitor targets with precision and accuracy.
Whether used for reconnaissance missions, surveillance operations, or target identification tasks, the Electro Optical Pod is a reliable and effective solution for modern defense and security applications. Its advanced features, robust construction, and user-friendly interface make it an indispensable tool for military and law enforcement personnel.
In conclusion, the Electro Optical Pod is a cutting-edge system that combines advanced technology with superior performance to deliver exceptional results in various operational scenarios. With its unmatched imaging capabilities, versatile design, and reliable functionality, this pod sets a new standard for Electro-Optical Systems in the field of reconnaissance and surveillance.
Features:
- Product Name: 403 Forbidden
- Description: The server understood the request, but is refusing to fulfill it。
- Status Code: 403
- Server: openresty
Technical Parameters:
| Description | The server understood the request, but is refusing to fulfill it. |
| Server | openresty |
| Status Code | 403 |
| Product Name | 403 Forbidden |
Applications:
Product Application Occasions and Scenarios for the Electro Optical Pod:
The Eagle-eye3500B Electro Optical Pod by Forward is a versatile and advanced technology product suitable for a wide range of applications. With a Minimum Order Quantity of 1 pcs, this product is ideal for both individual and bulk purchases. Each unit is carefully packaged in boxes for safe transportation and delivery.
Businesses and organizations looking for high-quality electro optical pods can benefit from the versatile features of the Eagle-eye3500B. The product's advanced optics and imaging capabilities make it perfect for surveillance, reconnaissance, and target acquisition.
Whether used for military operations, border security, or search and rescue missions, this electro optical pod offers exceptional performance and reliability. Its durable construction and advanced technology ensure optimal performance in various environmental conditions.
The Eagle-eye3500B Electro Optical Pod comes with flexible payment terms, including L/C and T/T, making it convenient for customers to complete their transactions. With a Supply Ability of 500 pcs/year, businesses can rely on a consistent and reliable supply of this product.
Customers can expect a delivery time of 5-8 weeks, allowing for timely deployment of the electro optical pods for their intended applications. The product is proudly manufactured in China, meeting high-quality standards and specifications.
As a leading brand in the industry, Forward stands behind the quality and performance of the Eagle-eye3500B Electro Optical Pod. The negotiable price ensures that customers can get the best value for their investment.
Overall, the Eagle-eye3500B Electro Optical Pod is a top-tier product designed for critical missions and operations. Its advanced features, reliable performance, and versatile applications make it a valuable asset for various industries and scenarios.
Support and Services:
The Electro Optical Pod product comes with comprehensive Product Technical Support and Services to ensure optimal performance and customer satisfaction. Our team of technical experts is available to assist with product installation, troubleshooting, and maintenance. We offer training sessions to help users maximize the capabilities of the Electro Optical Pod. Additionally, we provide regular software updates and upgrades to keep the product current and enhance its functionality.
Packing and Shipping:
Product Packaging:
The Electro Optical Pod is carefully packed in a sturdy cardboard box to ensure its safety during transportation. It is wrapped in protective foam to prevent any damage from impact. The packaging includes a user manual and necessary accessories.
Shipping:
Once your order is confirmed, the Electro Optical Pod will be shipped within 1-2 business days. We partner with reliable shipping carriers to deliver your product safely and efficiently. You will receive a tracking number to monitor the shipment progress.
FAQ:
Q: What is the minimum order quantity for the Electro Optical Pod?
A: The minimum order quantity is 1 piece.
Q: What are the packaging details for the Electro Optical Pod?
A: The product is packaged in boxes.
Q: What are the accepted payment terms for purchasing the Electro Optical Pod?
A: Payment can be made via L/C (Letter of Credit) or T/T (Telegraphic Transfer).
Q: What is the supply ability for the Eagle-eye3500B Electro Optical Pod?
A: The supply ability is 500 pieces per year.
Q: What is the delivery time for the Forward Eagle-eye3500B Electro Optical Pod?
A: The delivery time is typically 5-8 weeks.

